Стартер M9T82172
Нет в наличии
Справочная информация
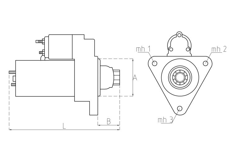
7.0kW/24 Volt, CW, 12-Tooth Pinion; СМОТРИ TT15186 (более мощный); возможный вариант CARGO 114310
Кросс-номера и комплектующие
TT17109
TT
M009T82171
MITSUBISHI
КомплектующиеM009T82172
MITSUBISHI
КомплектующиеM9T82171
MITSUBISHI
КомплектующиеM9T82172
MITSUBISHI
Комплектующие11127679
VOLVO
КомплектующиеS5487S
AS
CST35658GS
CASCO
45-4209
ELSTOCK
19547N
LESTER
Рекомендованные товары






