Стартер TT15069
Нет в наличии
АртикулTT15069
Напряжение12 V
Мощность5.5 KW
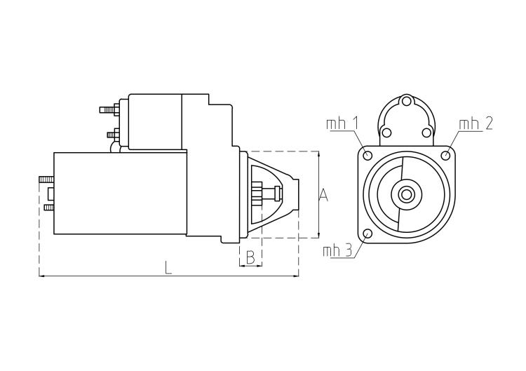
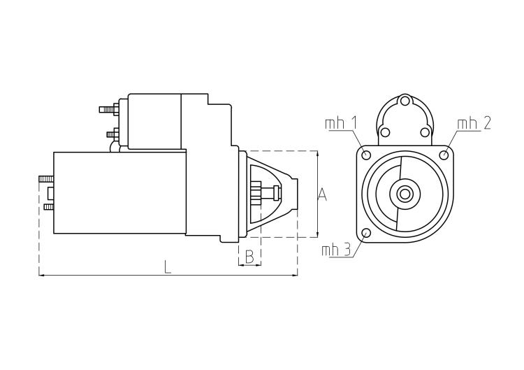
Размер A92 mm
Размер B61 mm
Количество зубьев12
Диаметр зубчатки45 mm
Длина507 mm
Направление вращенияACR
ИсполнениеDELCO
Тип транспортного средстваMD,HD Trucks & Buses
Справочная информация
Starter 40MT 12V CCW
Кросс-номера и комплектующие
TT15069
TT
STR4204
UNIPOINT
Комплектующие112259
CARGO
1114155
DELCO REMY
1114731
DELCO REMY
1114809
DELCO REMY
1114908
DELCO REMY
0123365
NIERMANN
01421005
NIERMANN
SM15069
SAEMOTO
Применение
Другие
AGCO GLEANER Combines R72 Cummins M11 1996-2002
AGCO STAR Tractors 8360 Cummins N-14 1995-2002
AGCO STAR Tractors 8360 Detroit DDAD 60 1995-1998
AGCO STAR Tractors 8425 Cummins N-14 1995-2002
AGCO STAR Tractors 8425 Detroit DDAD 60 1995-1998
AMERICAN LAFRANCE Trucks Eagle Caterpillar C11, 11.1L 2007-2008
BLUE BIRD Bus All American FE Caterpillar 3208, 10.4L 1989-1991
BLUE BIRD Bus All American RE Caterpillar 3208, 10.4L 1989-1991
BLUE BIRD Bus Commercial Bus Detroit Series 60, 12.7L 1998-1999
BLUE BIRD Bus SHL All American Caterpillar 3208, 10.4L 1988-1991
BLUE BIRD Bus Wanderlodge Caterpillar 3208, 10.4L 1988-1992
BLUE BIRD Bus Wanderlodge Detroit 8V-92, 12.1L 1988-1996
BLUE BIRD Bus Wanderlodge Detroit Series 60, 12.7L 1995-2000
BUHLER Loaders 2270 Versatile Cummins M11 2002-2011
BUHLER Loaders 2310 Versatile Cummins M11 2002-2011
BUHLER Loaders 2360 Versatile Cummins N-14 2002-2012
BUHLER Loaders 2375 Versatile Cummins QSM11 2004-2014
BUHLER Loaders 2425 Versatile Cummins N-14 2002-2012
CASE Cranes 1000 Travelift Detroit DD - 4-71 1985-1995
CASE Cranes 650CA Travelift Detroit DD - 4-71 1985-1995
CASE Cranes 800 Travelift Detroit DD - 4-71 1985-1995
CASE Tractors 4494 6-504 1985-1987
CASE Tractors 9150 Cummins 6-611 1986-1990
CASE Tractors 9170 Caterpillar 3406 1986-1990
CASE Tractors 9170 Cummins 6-855 1986-1990
CASE Tractors 9180 Cummins 6-855 1986-1990
CASE Tractors 9250 Cummins 6-611 1990-1995
CASE Tractors 9260 Cummins 6-611 1990-1995
CASE Tractors 9270 Cummins 6-855 1990-1995
CASE Tractors 9280 Cummins 6-855 1990-1995
CASE Tractors 9350 Cummins 6-611 1995-2000
CASE Tractors 9370 Cummins 6-855 1995-2000
CASE Tractors 9370QT Cummins 6-855 1995-2000
CASE Tractors 9380 Cummins 6-855 1995-2000
CASE Tractors 9380QT Cummins 6-855 1995-2000
CASE Tractors 9390 Cummins 6-855 1995-2000
CASE Tractors STX375 Cummins QSX15, 6-912 2001-2005
CASE Tractors STX425 Cummins QSX15, 6-912 2001-2005
CASE Tractors STX440 Cummins QSX15, 6-912 2001-2002
CASE Tractors STX450 Cummins QSX15, 6-912 2002-2005
CASE Tractors STX500 Cummins QSX15, 6-912 2001-2006
CATERPILLAR Engines - Industrial 3406 1985-1995
CATERPILLAR Engines - Industrial 3408 1986-1990
CATERPILLAR Engines - Industrial 3412 1986-1990
CATERPILLAR MARINE Inboard 3406 6 Cyl., 893CI, 14.6L 1985-1995
CATERPILLAR Oil Field Transmissions CX31-P600-C9I C9, 8.8L
CATERPILLAR Tractors 75 Challenger 3176, 10.3L 1990-1993
CATERPILLAR Tractors 75C Challenger 3176, 10.3L 1993-1998
CATERPILLAR Tractors 75D Challenger 3176, 10.3L 1996-1999
CATERPILLAR Tractors 85C Challenger 3176, 10.3L 1993-1997
CATERPILLAR Tractors 85D Challenger 3196 1996-2000
CHAMPION Graders 720 Detroit DD - 6-71 1986-1988
CHAMPION Graders 720A Detroit DD - 6-71 1986-1988
CHAMPION Graders 740 Detroit DD - 6-71 1986-1991
CHAMPION Graders 740A Cummins L-10 1985-1998
CHAMPION Graders 740A Cummins M11 1991-1998
CHAMPION Graders 750 Cummins L-10 1987-1994
CHAMPION Graders 750A Cummins L-10 1987-1998
CHAMPION Graders 750A Cummins M11 1995-1998
CHAMPION Graders 760 Cummins L-10 1985-1991
CHAMPION Graders 780 Cummins L-10 1985-1991
CHAMPION Graders 780A Cummins L-10 1986-1998
CHAMPION Graders 780A Cummins M11 1995-1998
CLARK Forklifts C500-400 / 450 / 550 / 650 Cummins 8-555 1986-1987
CUMMINS Engines - Industrial 10.0L 1985-1993
CUMMINS Engines - Industrial 14.0L 1991-2001
CUMMINS Engines - Industrial 855, 10.0L 1985-1985
CUMMINS Engines - Industrial 9.1L 1985-1985
CUMMINS Engines - Industrial N-14 1991-1994
FREIGHTLINER Trucks Argosy Caterpillar C12, 12.0L 1998-2004
FREIGHTLINER Trucks Argosy Caterpillar C15, 14.6L 1999-2003
FREIGHTLINER Trucks Argosy Caterpillar C15, 15.2L 2004-2009
FREIGHTLINER Trucks Argosy Cummins ISM, 10.8L 1999-2006
FREIGHTLINER Trucks Argosy Cummins ISX15, 15.0L 2000-2003
FREIGHTLINER Trucks Argosy Cummins N14, 14.0L 1999-2002
FREIGHTLINER Trucks Argosy Cummins Signature 600, 15.0L 1999-1999
FREIGHTLINER Trucks Argosy Detroit Series 60, 12.7L 1999-2003
FREIGHTLINER Trucks Argosy Detroit Series 60, 14.0L 2001-2003
FREIGHTLINER Trucks Business Class M2 106 Caterpillar C13, 12.5L 2003-2010
FREIGHTLINER Trucks Business Class M2 112 Caterpillar C13, 12.5L 2003-2010
FREIGHTLINER Trucks Cascadia Caterpillar C15, 15.2L 2008-2010
FREIGHTLINER Trucks Century Class Caterpillar 3176, 10.3L 1996-2000
FREIGHTLINER Trucks Century Class Caterpillar 3406, 14.6L 1996-2000
FREIGHTLINER Trucks Century Class Caterpillar C10, 10.3L 1997-2004
FREIGHTLINER Trucks Century Class Caterpillar C11, 11.1L 2005-2007
FREIGHTLINER Trucks Century Class Caterpillar C12, 12.0L 1997-2004
FREIGHTLINER Trucks Century Class Caterpillar C13, 12.5L 2004-2010
FREIGHTLINER Trucks Century Class Caterpillar C15, 14.6L 1999-2003
FREIGHTLINER Trucks Century Class Caterpillar C15, 15.2L 2004-2010
FREIGHTLINER Trucks Century Class Cummins ISM, 10.8L 1999-2004
FREIGHTLINER Trucks Century Class Cummins ISX15, 15.0L 1999-2003
FREIGHTLINER Trucks Century Class Cummins L10, 10.0L 1996-2000
FREIGHTLINER Trucks Century Class Cummins M11, 10.8L 1996-2000
FREIGHTLINER Trucks Century Class Cummins N14, 14.0L 1996-2003
FREIGHTLINER Trucks Century Class Detroit Series 60, 11.1L 1997-1998
FREIGHTLINER Trucks Century Class Detroit Series 60, 12.7L 1996-2007
FREIGHTLINER Trucks Century Class Detroit Series 60, 14.0L 2001-2011
FREIGHTLINER Trucks Classic Caterpillar 3176, 10.3L 1999-2000
FREIGHTLINER Trucks Classic Caterpillar 3406, 14.6L 1993-2000
FREIGHTLINER Trucks Classic Caterpillar C10, 10.3L 1999-2004
FREIGHTLINER Trucks Classic Caterpillar C12, 12.0L 1997-2004
FREIGHTLINER Trucks Classic Caterpillar C13, 12.5L 2004-2007
FREIGHTLINER Trucks Classic Caterpillar C15, 14.6L 1999-2003
FREIGHTLINER Trucks Classic Caterpillar C15, 15.2L 2004-2009
FREIGHTLINER Trucks Classic Cummins ISM, 10.8L 1999-2004
FREIGHTLINER Trucks Classic Cummins ISX 1999-2003
FREIGHTLINER Trucks Classic Cummins L10, 10.0L 1999-2000
FREIGHTLINER Trucks Classic Cummins M11, 10.8L 1996-2000
FREIGHTLINER Trucks Classic Cummins N14, 14.0L 1993-2003
FREIGHTLINER Trucks Classic Detroit Series 60, 12.7L 1990-2007
FREIGHTLINER Trucks Classic Detroit Series 60, 14.0L 2001-2011
FREIGHTLINER Trucks Classic XL Caterpillar 3406, 14.6L 1993-2000
FREIGHTLINER Trucks Classic XL Caterpillar C10, 10.3L 1998-2004
FREIGHTLINER Trucks Classic XL Caterpillar C12, 12.0L 1997-2004
FREIGHTLINER Trucks Classic XL Caterpillar C13, 12.5L 2004-2007
FREIGHTLINER Trucks Classic XL Caterpillar C15, 14.6L 1999-2003
FREIGHTLINER Trucks Classic XL Caterpillar C15, 15.2L 2004-2009
FREIGHTLINER Trucks Classic XL Cummins ISM 1999-2004
FREIGHTLINER Trucks Classic XL Cummins ISX 1999-2003
FREIGHTLINER Trucks Classic XL Cummins N14, 14.0L 1994-2003
FREIGHTLINER Trucks Classic XL Detroit Series 60, 12.7L 2001-2007
FREIGHTLINER Trucks Classic XL Detroit Series 60, 14.0L 2001-2009
FREIGHTLINER Trucks Columbia Caterpillar 3406, 14.6L 1987-2000
FREIGHTLINER Trucks Columbia Caterpillar C10, 10.3L 2001-2003
FREIGHTLINER Trucks Columbia Caterpillar C12, 12.0L 1999-2003
FREIGHTLINER Trucks Columbia Caterpillar C13, 12.5L 2004-2010
FREIGHTLINER Trucks Columbia Caterpillar C15, 14.6L 1999-2003
FREIGHTLINER Trucks Columbia Caterpillar C15, 15.2L 2004-2009
FREIGHTLINER Trucks Columbia Cummins ISM 2001-2009
FREIGHTLINER Trucks Columbia Cummins ISX 2001-2003
FREIGHTLINER Trucks Columbia Cummins N14, 14.0L 2001-2003
FREIGHTLINER Trucks Columbia Detroit Series 60, 12.7L 2000-2008
FREIGHTLINER Trucks Columbia Detroit Series 60, 14.0L 2001-2010
FREIGHTLINER Trucks Condor Caterpillar C10, 10.3L 2001-2003
FREIGHTLINER Trucks Condor Caterpillar C12, 12.0L 2001-2003
FREIGHTLINER Trucks Condor Caterpillar C13, 12.5L 2004-2006
FREIGHTLINER Trucks Condor Cummins ISM 2001-2005
FREIGHTLINER Trucks Condor Cummins ISX 2001-2005
FREIGHTLINER Trucks Coronado Detroit Series 60, 12.7L 2002-2007
FREIGHTLINER Trucks FL, FLC112 / 120 Caterpillar 3176, 10.3L 1994-1999
FREIGHTLINER Trucks FL, FLC112 / 120 Caterpillar 3406, 14.6L 1985-1985
FREIGHTLINER Trucks FL, FLC112 / 120 Caterpillar C10, 10.3L 1997-2004
FREIGHTLINER Trucks FL, FLC112 / 120 Caterpillar C12, 12.0L 1997-2004
FREIGHTLINER Trucks FL, FLC112 / 120 Cummins 855 / BC III 1985-1985
FREIGHTLINER Trucks FL, FLC112 / 120 Cummins ISM 2000-2003
FREIGHTLINER Trucks FL, FLC112 / 120 Cummins L10, 10.0L 1985-1993
FREIGHTLINER Trucks FL, FLC112 / 120 Cummins L10, 10.0L 1994-1999
FREIGHTLINER Trucks FL, FLC112 / 120 Cummins M11, 10.8L 1994-2001
FREIGHTLINER Trucks FL, FLC112 / 120 Cummins N14, 14.0L 1993-2001
FREIGHTLINER Trucks FL, FLC112 / 120 Cummins V-903 1985-1988
FREIGHTLINER Trucks FL106 Detroit Series 50, 8.5L 1993-2003
FREIGHTLINER Trucks FL90 Detroit Series 50, 8.5L 1992-1993
FREIGHTLINER Trucks FLA Series Detroit Series 60, 11.1L 1989-1999
FREIGHTLINER Trucks FLB Series Detroit Series 60, 11.1L 1994-1999
FREIGHTLINER Trucks FLC112 Detroit Series 60, 11.1L 1987-1998
FREIGHTLINER Trucks FLC112 Detroit Series 60, 12.7L 1987-1998
FREIGHTLINER Trucks FLC120 Detroit 6V-92, 9.0L 1985-1985
FREIGHTLINER Trucks FLC120 Detroit 8V-92, 12.1L 1985-1985
FREIGHTLINER Trucks FLC120 Detroit Series 60, 11.1L 1987-1988
FREIGHTLINER Trucks FLC120 Detroit Series 60, 12.7L 1987-1998
FREIGHTLINER Trucks FLD112 / 120 Caterpillar 3176, 10.3L 1993-2000
FREIGHTLINER Trucks FLD112 / 120 Caterpillar 3406, 14.6L 1993-2000
FREIGHTLINER Trucks FLD112 / 120 Caterpillar C10, 10.3L 1997-2004
FREIGHTLINER Trucks FLD112 / 120 Caterpillar C12, 12.0L 1995-2003
FREIGHTLINER Trucks FLD112 / 120 Caterpillar C13, 12.5L 2004-2007
FREIGHTLINER Trucks FLD112 / 120 Cummins ISM 2001-2003
FREIGHTLINER Trucks FLD112 / 120 Cummins L10, 10.0L 1993-2000
FREIGHTLINER Trucks FLD112 / 120 Cummins M11, 10.8L 1994-2000
FREIGHTLINER Trucks FLD112 / 120 Cummins N14, 14.0L 1993-2003
FREIGHTLINER Trucks FLD112 Detroit Series 60, 12.7L 1998-2001
FREIGHTLINER Trucks FLD120 Detroit Series 60, 11.1L 1993-1999
FREIGHTLINER Trucks FLD120 Detroit Series 60, 14.0L 1997-2011
FREIGHTLINER Trucks FLD132 Detroit Series 60, 14.0L 2001-2011
FREIGHTLINER Trucks FLL Series Detroit Series 60, 11.1L 1993-1998
FREIGHTLINER Trucks FLT Series Caterpillar 3406, 14.6L 1985-1985
FREIGHTLINER Trucks FLT Series Cummins 855 / BC III 1984-1987
FREIGHTLINER Trucks FLT Series Cummins V-903 1985-1988
FREIGHTLINER Trucks FLT Series Detroit 6V-92 1985-1987
FREIGHTLINER Trucks FLT Series Detroit Series 60, 11.1L 1987-1988
INTERNATIONAL Tractors 7588 V-800 1984-1984
INTERNATIONAL Tractors 7788 V-800 1984-1984
INTERNATIONAL Trucks 1754 Detroit DD - 6-71 1984-1987
INTERNATIONAL Trucks 1754 DT-360, 5.9L 1987-1989
INTERNATIONAL Trucks 1754 DT-466, 7.6L 1988-1989
INTERNATIONAL Trucks 1954 Detroit DD - 6-71 1984-1987
INTERNATIONAL Trucks 1954 DT-466, 7.6L 1988-1989
INTERNATIONAL Trucks 2200 / 2275 Series Cummins L10, 10.0L 1984-1987
INTERNATIONAL Trucks 2200 / 2275 Series Cummins NTC-855 1984-1987
INTERNATIONAL Trucks 2200 / 2275 Series Detroit 6V-92 1984-1987
INTERNATIONAL Trucks 2200 / 2275 Series Detroit DD - 6-71 1984-1987
INTERNATIONAL Trucks 2200 / 2275 Series DT-466, 7.6L 1988-1989
INTERNATIONAL Trucks 2300 / 2375 Series Caterpillar C10, 10.3L 1997-2003
INTERNATIONAL Trucks 2300 / 2375 Series Caterpillar C12, 12.0L 1997-2003
INTERNATIONAL Trucks 2300 / 2375 Series Cummins L10, 10.0L 1984-1987
INTERNATIONAL Trucks 2300 / 2375 Series Cummins L10, 10.0L 1988-1992
INTERNATIONAL Trucks 2300 / 2375 Series Cummins L10, 10.0L 1993-1996
INTERNATIONAL Trucks 2300 / 2375 Series Cummins N14, 14.0L 1993-2000
INTERNATIONAL Trucks 2300 / 2375 Series Detroit DD - 6-71 1984-1987
INTERNATIONAL Trucks 2300 / 2375 Series DT-530, 8.7L 1993-1996
INTERNATIONAL Trucks 2554 / 2564 Series Detroit DD - 6-71 1984-1987
INTERNATIONAL Trucks 2554 / 2564 Series DT-466, 7.6L 1988-1993
INTERNATIONAL Trucks 2574 / 2575 Series Caterpillar C12, 12.0L 1997-2000
INTERNATIONAL Trucks 2574 / 2575 Series Cummins 855 1988-1992
INTERNATIONAL Trucks 2574 / 2575 Series Cummins ISM 1997-2000
INTERNATIONAL Trucks 2574 / 2575 Series Cummins L10, 10.0L 1984-1987
INTERNATIONAL Trucks 2574 / 2575 Series Cummins L10, 10.0L 1988-2000
INTERNATIONAL Trucks 2574 / 2575 Series Cummins N14, 14.0L 1993-2000
INTERNATIONAL Trucks 2574 / 2575 Series Cummins NTC-855 1984-1987
INTERNATIONAL Trucks 2574 / 2575 Series Cummins NTC-855 1988-1992
INTERNATIONAL Trucks 2574 / 2575 Series Detroit DD - 6-71 1984-1987
INTERNATIONAL Trucks 2654 Series Detroit DD - 6-71 1984-1987
INTERNATIONAL Trucks 2654 Series DT-466, 7.6L 1988-1992
INTERNATIONAL Trucks 2674 / 2675 Series Caterpillar 3176, 10.3L 1993-1999
INTERNATIONAL Trucks 2674 / 2675 Series Caterpillar C10, 10.3L 1997-2000
INTERNATIONAL Trucks 2674 / 2675 Series Cummins L10, 10.0L 1984-1987
INTERNATIONAL Trucks 2674 / 2675 Series Cummins L10, 10.0L 1988-2000
INTERNATIONAL Trucks 2674 / 2675 Series Cummins M11, 10.8L 1997-2000
INTERNATIONAL Trucks 2674 / 2675 Series Cummins N14, 14.0L 1993-2000
INTERNATIONAL Trucks 2674 / 2675 Series Cummins NTC-855 1982-1992
INTERNATIONAL Trucks 2674 / 2675 Series Detroit 6V-92 1985-1989
INTERNATIONAL Trucks 2674 / 2675 Series Detroit DD - 6-71 1984-1987
INTERNATIONAL Trucks 2674 / 2675 Series DT-466, 7.6L 1988-1992
INTERNATIONAL Trucks 3000 / 3900 Series Bus DT-360, 5.9L 1985-1993
INTERNATIONAL Trucks 3000 / 3900 Series Bus DT-466, 7.6L 1988-1992
INTERNATIONAL Trucks 3000 / 3900 Series Bus T444E, 7.3L 1988-1992
INTERNATIONAL Trucks 4000 / 4900 Series Medium-Duty Caterpillar 3406, 14.6L 1997-1999
INTERNATIONAL Trucks 4000 / 4900 Series Medium-Duty Cummins N14, 14.0L 1997-1999
INTERNATIONAL Trucks 4000 / 4900 Series Medium-Duty Detroit DD - 6-71 1984-1987
INTERNATIONAL Trucks 4000 / 4900 Series Medium-Duty DT-360, 5.9L 1990-1993
INTERNATIONAL Trucks 4000 / 4900 Series Medium-Duty DT-408, 6.7L 1990-1993
INTERNATIONAL Trucks 4000 / 4900 Series Medium-Duty DT-466, 7.6L 1988-1992
INTERNATIONAL Trucks 4000 / 4900 Series Medium-Duty DT-530, 8.7L 1997-2003
INTERNATIONAL Trucks 4000 / 4900 Series Medium-Duty T444E, 7.3L 1988-1992
INTERNATIONAL Trucks 5000 / 5900 Series Severe Service Caterpillar 3406, 14.6L 1988-1999
INTERNATIONAL Trucks 5000 / 5900 Series Severe Service Caterpillar C10, 10.3L 1997-2003
INTERNATIONAL Trucks 5000 / 5900 Series Severe Service Caterpillar C12, 12.0L 1997-2003
INTERNATIONAL Trucks 5000 / 5900 Series Severe Service Caterpillar C15, 15.2L 2004-2007
INTERNATIONAL Trucks 5000 / 5900 Series Severe Service Cummins ISM, 10.8L 2000-2007
INTERNATIONAL Trucks 5000 / 5900 Series Severe Service Cummins ISX15, 15.0L 2000-2007
INTERNATIONAL Trucks 5000 / 5900 Series Severe Service Cummins L10, 10.0L 1988-1999
INTERNATIONAL Trucks 5000 / 5900 Series Severe Service Cummins M11, 10.8L 1994-1999
INTERNATIONAL Trucks 5000 / 5900 Series Severe Service Cummins N14, 14.0L 1997-1999
INTERNATIONAL Trucks 5000 / 5900 Series Severe Service Cummins NTC-855 1990-1992
INTERNATIONAL Trucks 5000 / 5900 Series Severe Service Detroit DD - 6-71 1984-1987
INTERNATIONAL Trucks 5000 / 5900 Series Severe Service DT-530, 8.7L 1997-2003
INTERNATIONAL Trucks 7100 / 7700 Severe Service Caterpillar C10, 10.3L 2003-2004
INTERNATIONAL Trucks 7100 / 7700 Severe Service Caterpillar C12, 12.0L 2003-2004
INTERNATIONAL Trucks 7100 / 7700 Severe Service Caterpillar C15, 15.2L 2005-2007
INTERNATIONAL Trucks 7100 / 7700 Severe Service Cummins ISM, 10.8L 2003-2007
INTERNATIONAL Trucks 7100 / 7700 Severe Service Cummins ISX15, 15.0L 2003-2007
INTERNATIONAL Trucks 7100 / 7700 Severe Service DT-466, 7.6L 1990-1992
INTERNATIONAL Trucks 8100 / 8600 Heavy-Duty Caterpillar 3176, 10.3L 1990-1999
INTERNATIONAL Trucks 8100 / 8600 Heavy-Duty Caterpillar 3406, 14.6L 1988-1999
INTERNATIONAL Trucks 8100 / 8600 Heavy-Duty Caterpillar C10, 10.3L 1997-2003
INTERNATIONAL Trucks 8100 / 8600 Heavy-Duty Caterpillar C12, 12.0L 2003-2005
INTERNATIONAL Trucks 8100 / 8600 Heavy-Duty Cummins ISM, 10.8L 1998-2007
INTERNATIONAL Trucks 8100 / 8600 Heavy-Duty Cummins L10, 10.0L 1988-1996
INTERNATIONAL Trucks 8100 / 8600 Heavy-Duty Cummins M11, 10.8L 1994-2000
INTERNATIONAL Trucks 8100 / 8600 Heavy-Duty Cummins N14, 14.0L 1991-2000
INTERNATIONAL Trucks 8100 / 8600 Heavy-Duty Cummins NTC-855 1988-1992
INTERNATIONAL Trucks 8100 / 8600 Heavy-Duty Detroit DD - 6-71 1984-1987
INTERNATIONAL Trucks 8100 / 8600 Heavy-Duty Detroit Series 50, 8.5L 1992-1998
INTERNATIONAL Trucks 8100 / 8600 Heavy-Duty Detroit Series 60, 11.1L 1992-1998
INTERNATIONAL Trucks 8100 / 8600 Heavy-Duty Detroit Series 60, 12.7L 1992-1998
INTERNATIONAL Trucks 8100 / 8600 Heavy-Duty DT-466, 7.6L 1990-1992
INTERNATIONAL Trucks 8100 / 8600 Heavy-Duty DT-530, 8.7L 1993-2003
INTERNATIONAL Trucks 8100 / 8600 Heavy-Duty DT-570, 9.3L 1993-2003
INTERNATIONAL Trucks 9100 / 9900 Heavy-Duty Caterpillar 3176, 10.3L 1990-1999
INTERNATIONAL Trucks 9100 / 9900 Heavy-Duty Caterpillar 3406, 14.6L 1988-2001
INTERNATIONAL Trucks 9100 / 9900 Heavy-Duty Caterpillar C10, 10.3L 1997-2003
INTERNATIONAL Trucks 9100 / 9900 Heavy-Duty Caterpillar C12, 12.0L 1997-2003
INTERNATIONAL Trucks 9100 / 9900 Heavy-Duty Caterpillar C15, 14.6L 2000-2003
INTERNATIONAL Trucks 9100 / 9900 Heavy-Duty Caterpillar C15, 15.2L 2004-2007
INTERNATIONAL Trucks 9100 / 9900 Heavy-Duty Caterpillar C16, 15.8L 1999-2003
INTERNATIONAL Trucks 9100 / 9900 Heavy-Duty Cummins ISM, 10.8L 1997-2007
INTERNATIONAL Trucks 9100 / 9900 Heavy-Duty Cummins ISX15, 15.0L 2003-2008
INTERNATIONAL Trucks 9100 / 9900 Heavy-Duty Cummins L10, 10.0L 1988-1996
INTERNATIONAL Trucks 9100 / 9900 Heavy-Duty Cummins M11, 10.8L 1994-2000
INTERNATIONAL Trucks 9100 / 9900 Heavy-Duty Cummins N14, 14.0L 1985-2003
INTERNATIONAL Trucks 9100 / 9900 Heavy-Duty Cummins NTC 1984-1987
INTERNATIONAL Trucks 9100 / 9900 Heavy-Duty Cummins NTC-855 1986-1992
INTERNATIONAL Trucks 9100 / 9900 Heavy-Duty Cummins Signature 600, 15.0L 1997-2003
INTERNATIONAL Trucks 9100 / 9900 Heavy-Duty Detroit DD - 6-71 1984-1987
INTERNATIONAL Trucks 9100 / 9900 Heavy-Duty Detroit Series 60, 11.1L 1992-2000
INTERNATIONAL Trucks 9100 / 9900 Heavy-Duty Detroit Series 60, 12.7L 1992-2003
INTERNATIONAL Trucks Paystar Cummins L10, 10.0L 1984-1989
INTERNATIONAL Trucks Paystar Cummins NTC, PT 1984-1987
INTERNATIONAL Trucks Paystar Detroit 6V-71 1984-1989
INTERNATIONAL Trucks Paystar Detroit 6V-92 1984-1989
INTERNATIONAL Trucks Paystar Detroit 8V-71 1984-1985
INTERNATIONAL Trucks Paystar Detroit DD - 6-71 1984-1987
INTERNATIONAL Trucks S Series Caterpillar 3406, 14.6L 1984-1984
INTERNATIONAL Trucks S Series Cummins L10, 10.0L 1985-1987
INTERNATIONAL Trucks S Series Cummins NTC-855 1984-1987
INTERNATIONAL Trucks S Series Detroit 6V-71 1984-1987
INTERNATIONAL Trucks S Series Detroit 6V-92 1984-1987
INTERNATIONAL Trucks S Series Detroit 8V-71 1984-1984
INTERNATIONAL Trucks S Series Detroit DD - 6-71 1984-1987
INTERNATIONAL Trucks Transtar Caterpillar 3406, 14.6L 1984-1987
INTERNATIONAL Trucks Transtar Caterpillar 3408, 18.0L 1984-1987
INTERNATIONAL Trucks Transtar Cummins NTC 1984-1987
INTERNATIONAL Trucks Transtar Detroit 6V-92 1984-1987
INTERNATIONAL Trucks Transtar Detroit 8V-71 1984-1987
INTERNATIONAL Trucks Transtar Detroit DD - 6-71 1984-1987
INTERNATIONAL Trucks Unistar Cummins NTC 1984-1987
JOHN DEERE Forage Harvesters 5820 6-619, 10.1L 1981-1986
JOHN DEERE Forage Harvesters 6610 6076, 7.6L 1993-2001
JOHN DEERE Forage Harvesters 6610 6081, 8.1L 1993-2001
JOHN DEERE Forage Harvesters 6710 6101, 10.1L 1993-2001
JOHN DEERE Forage Harvesters 6810 Cummins N14, 14.0L 1993-2001
JOHN DEERE Forage Harvesters 6910 Cummins N14, 14.0L 1993-2001
JOHN DEERE Forage Harvesters 6950 Cummins N14, 14.0L 2000-2010
JOHN DEERE Tractors 8850 8-955, 15.7L 1985-1989
JOHN DEERE Tractors 8960 N-855 1988-1993
JOHN DEERE Tractors 8970 Cummins N-885 1993-2003
KAWASAKI - INDUSTRIAL EQUIPMENT Loaders 80Z IV Cummins 6CT, 8.3L 1998-2008
KENWORTH Trucks C500 Cummins Signature 600, 15.0L 1998-2003
KENWORTH Trucks K100 Cummins ISM, 10.8L 1999-2001
KENWORTH Trucks K100E Cummins ISM, 10.8L 2001-2001
KENWORTH Trucks T2000 Cummins ISX15, 15.0L 1999-2003
KENWORTH Trucks T600 Cummins ISM, 10.8L 1999-2003
KENWORTH Trucks T600 Cummins ISX15, 15.0L 1999-2003
KENWORTH Trucks T600 Cummins Signature 600, 15.0L 1998-2003
KENWORTH Trucks T800 Cummins ISM, 10.8L 1999-2003
KENWORTH Trucks T800 Cummins ISX15, 15.0L 1999-2003
KENWORTH Trucks T800 Cummins Signature 600, 15.0L 1998-2003
KENWORTH Trucks W900 Cummins ISM 1999-2003
KENWORTH Trucks W900 Cummins ISX15, 15.0L 1999-2003
MACK Trucks CH Series Cummins 6C-8.3L 1988-1998
MACK Trucks CH Series Cummins NTC, 14.0L 1988-1998
MACK Trucks CH Series E6, EC6, EM6, EMC6 1988-1998
MACK Trucks CH Series E7, EM7 1988-2007
MACK Trucks CH Series E9, EC9 1988-1994
MACK Trucks CH Series Renault RVI 1988-1990
MACK Trucks CL Series 1990-2003
MACK Trucks CL Series 2004-2007
MACK Trucks CL Series Cummins ISX 2001-2007
MACK Trucks CL Series Cummins Signature 600, 15.0L 2001-2003
MACK Trucks CM Series Cummins 14.0L 1984-1990
MACK Trucks CM Series E5 / EC5 1986-1989
MACK Trucks CM Series E6 1984-1990
MACK Trucks CM Series EC6 1984-1990
MACK Trucks CM Series EM6 1984-1990
MACK Trucks CM Series EM7 1984-1990
MACK Trucks CM Series EMC6 1984-1990
MACK Trucks CM Series RVI 1984-1990
MACK Trucks CT / CTP Series 2006-2007
MACK Trucks CV Series 2001-2007
MACK Trucks CX Series (Vision) 2000-2005
MACK Trucks DM / DMM Series 1984-2007
MACK Trucks DM / DMM Series Cummins 14.0L 1984-1998
MACK Trucks DM / DMM Series Cummins 6C 8.3L 1984-1998
MACK Trucks DM / DMM Series E6 1984-1999
MACK Trucks DM / DMM Series E7 1984-1999
MACK Trucks DM / DMM Series E9 1984-1994
MACK Trucks DM / DMM Series EC6 1984-1999
MACK Trucks DM / DMM Series EC9 1984-1994
MACK Trucks DM / DMM Series EM6 1984-1999
MACK Trucks DM / DMM Series EM7 1984-1999
MACK Trucks DM / DMM Series EMC6 1984-1999
MACK Trucks DM / DMM Series RVI 1984-1990
MACK Trucks F / FL / FS Series 1984-1988
MACK Trucks F / FL / FS Series Cummins NH 1984-1990
MACK Trucks F / FL / FS Series Cummins NHC 1984-1990
MACK Trucks F / FL / FS Series Cummins NHRS 1984-1990
MACK Trucks F / FL / FS Series Cummins NHS 1984-1990
MACK Trucks F / FL / FS Series Cummins NT 1984-1990
MACK Trucks F / FL / FS Series Cummins Super 250 1984-1988
MACK Trucks F / FL / FS Series Cummins V-903 1984-1990
MACK Trucks F / FL / FS Series Cummins VT-903 1984-1990
MACK Trucks F / FL / FS Series Detroit 8V-71 (N) 1984-1990
MACK Trucks F / FL / FS Series Detroit 8V-71 (T) 1984-1990
MACK Trucks F / FL / FS Series E6 1984-1990
MACK Trucks F / FL / FS Series EC6 1984-1990
MACK Trucks F / FL / FS Series EM6 1984-1990
MACK Trucks F / FL / FS Series END 1984-1990
MACK Trucks F / FL / FS Series ENDL 1984-1990
MACK Trucks F / FL / FS Series ENDLT 1984-1990
MACK Trucks F / FL / FS Series ENDT 1984-1990
MACK Trucks FCM Series E7 2000-2006
MACK Trucks FCM Series EM7 2000-2006
MACK Trucks FDM Series Cummins 14.0L 1988-1999
MACK Trucks FDM Series Cummins 6C 8.3L 1987-1999
MACK Trucks Granite Series 2002-2007
MACK Trucks LE Series E7 1994-2006
MACK Trucks MC Series 1984-1994
MACK Trucks MH Series 1984-1994
MACK Trucks MH Series Cummins L10, 10.0L 1984-1989
MACK Trucks MH Series Cummins N / NT 1984-1989
MACK Trucks MH Series Detroit 6V-92 1984-1985
MACK Trucks MH Series Detroit 8V-92 1984-1990
MACK Trucks MR Series 1984-2007
MACK Trucks MR Series Cummins L10, 10.0L 1984-1985
MACK Trucks MR Series E7 2004-2007
MACK Trucks R Series 1984-1990
MACK Trucks R Series Caterpillar 3406, 14.6L 1984-1990
MACK Trucks R Series Cummins Fleet 270 1984-1990
MACK Trucks R Series Cummins KT-450 1984-1990
MACK Trucks R Series Cummins N / NH / NT 1984-1990
MACK Trucks R Series Detroit 6V-92 1984-1990
MACK Trucks R Series Detroit 8V-92 1984-1990
MACK Trucks R Series Scania E4-210 1984-1990
MACK Trucks RB Series 1988-2007
MACK Trucks RB Series Scania E4-210 1984-1990
MACK Trucks RD Series 1984-2003
MACK Trucks RD Series Cummins NTC Engs 1984-1994
MACK Trucks RD Series Detroit 6V-92 1984-1990
MACK Trucks RD Series Scania E4-210 1984-1990
MACK Trucks RL Series 1984-1990
MACK Trucks RL Series Detroit 6V-92 1984-1990
MACK Trucks RL Series Scania E4-210 1984-1990
MACK Trucks RM Series 1984-1994
MACK Trucks RM Series Detroit 6V-92 1984-1990
MACK Trucks RM Series Scania E4-210 1984-1990
MACK Trucks RS Series 1984-1990
MACK Trucks RS Series Detroit 6V-92 1984-1990
MACK Trucks RS Series Scania E4-210 1984-1990
MACK Trucks RVB Series Scania E4-210 1984-1990
MACK Trucks RW Series 1984-1994
MACK Trucks RW Series Cummins N / NT 1984-1990
MACK Trucks RW Series Detroit 8V-92 1984-1985
MACK Trucks RW Series Scania E4-210 1984-1990
MACK Trucks U Series 1984-1985
MACK Trucks U Series Caterpillar 3406, 14.6L 1984-1994
MACK Trucks U Series Cummins 14.0L 1984-1994
MACK Trucks U Series Cummins Fleet 270 1984-1990
MACK Trucks U Series Cummins KT-450 1984-1990
MACK Trucks U Series Detroit 6V-92 1984-1994
MACK Trucks U Series Detroit 8V-92 1984-1994
MACK Trucks U Series E6 1984-1994
MACK Trucks U Series EC6 1984-1994
MACK Trucks U Series EM6 1984-1994
MACK Trucks U Series EM7 1984-1994
MACK Trucks U Series EMC6 1984-1994
MACK Trucks U Series Scania E4-210 1984-1990
NEW HOLLAND Forage Harvesters 2100 Caterpillar 3406 1985-1990
NEW HOLLAND Forage Harvesters 2115 Caterpillar 3406 1987-1996
NEW HOLLAND Tractors 9280 Cummins LT-10A 1994-1997
NEW HOLLAND Tractors 9282 Cummins 6CTA, 8.3L 1996-1998
NEW HOLLAND Tractors 9384 Cummins M11 2000-2001
NEW HOLLAND Tractors 9480 Cummins NTA-855 1994-1997
NEW HOLLAND Tractors 9482 Cummins M11 1996-1998
NEW HOLLAND Tractors 9680 Cummins NTA-855 1994-1997
NEW HOLLAND Tractors 9682 Cummins N-14 1996-1998
NEW HOLLAND Tractors 9684 Cummins N-14 2000-2001
NEW HOLLAND Tractors 9880 Cummins NTA-855 1994-1997
NEW HOLLAND Tractors 9882 Cummins N-14 1996-1998
NEW HOLLAND Tractors TJ375 Cummins QSX, 15.0L 2002-2006
NEW HOLLAND Tractors TJ425 Cummins QSX, 15.0L 2002-2006
NEW HOLLAND Tractors TJ450 Cummins QSX, 15.0L 2002-2005
PETERBILT Trucks 320 Cummins ISM, 10.8L 2002-2007
PETERBILT Trucks 320 Cummins L10, 10.0L 1987-1998
PETERBILT Trucks 330 Detroit Series 50, 8.5L 2000-2000
PETERBILT Trucks 357 Cummins ISM, 10.8L 1998-2007
PETERBILT Trucks 357 Cummins L10, 10.0L 1986-1994
PETERBILT Trucks 357 Detroit 6V-71 1991-1993
PETERBILT Trucks 359 Caterpillar 3406, 14.6L 1983-1985
PETERBILT Trucks 362 Caterpillar 3406, 14.6L 1983-1985
PETERBILT Trucks 362 Cummins L10, 10.0L 1986-1994
PETERBILT Trucks 362 Detroit 6V-71 1991-1993
PETERBILT Trucks 372 Detroit 6V-71 1988-1993
PETERBILT Trucks 375 Cummins L10, 10.0L 1987-1996
PETERBILT Trucks 377 Cummins L10, 10.0L 1987-1994
PETERBILT Trucks 377 Cummins N14, 14.0L 1989-1990
PETERBILT Trucks 377 Detroit 6V-71 1991-1993
PETERBILT Trucks 378 Cummins L10, 10.0L 1986-1998
PETERBILT Trucks 378 Detroit 6V-71 1991-1993
PETERBILT Trucks 379 Cummins L10, 10.0L 1986-1994
PETERBILT Trucks 379 Detroit 6V-71 1991-1993
PETERBILT Trucks 385 Cummins L10, 10.0L 1996-1998
PETERBILT Trucks 387 Cummins ISM, 10.8L 2000-2003
PETERBILT Trucks All Models (By Engine) Detroit 6L-71 1986-2003
PETERBILT Trucks All Models (By Engine) Detroit 6V-71 1990-1990
PIERCE Trucks Enclosed Cab Caterpillar 3208, 10.4L 1988-1991
PIERCE Trucks Enclosed Cab Cummins L10, 10.0L 1988-1993
PIERCE Trucks Enclosed Cab Cummins M11, 10.8L 1994-2003
PIERCE Trucks Enclosed Cab Detroit Series 60, 11.1L 1993-1999
PIERCE Trucks Enclosed Cab Detroit Series 60, 12.7L 1993-2004
SPARTAN MOTORS CHASSIS Trucks Cummins Engines Cummins 10.8L 1996-2006
SPRAY MONSTER Sprayers Spray Monster 1994-2004
STEIGER Tractors COUGAR 9150 Caterpillar 3306 1986-1992
STEIGER Tractors COUGAR 9150 Cummins LT-10 1986-1992
STEIGER Tractors LION 9180 Caterpillar 3406 1986-1992
STEIGER Tractors LION 9180 Cummins LT-10 1986-1992
STEIGER Tractors Panther 9170 Caterpillar 3406TA 1986-1986
STEIGER Tractors Panther 9170 Cummins 855TA 1986-1986
STEIGER Tractors Panther 9170 Cummins N-855 1989-1990
STERLING Trucks A-Line A9500 / AT9500 Caterpillar C10, 10.3L 1999-2004
STERLING Trucks A-Line A9500 / AT9500 Caterpillar C12, 12.0L 1999-2004
STERLING Trucks A-Line A9500 / AT9500 Caterpillar C13, 12.5L 2004-2009
STERLING Trucks A-Line A9500 / AT9500 Caterpillar C15, 15.2L 2004-2010
STERLING Trucks A-Line A9500 / AT9500 Cummins ISM, 10.8L 1999-2003
STERLING Trucks A-Line A9500 / AT9500 Cummins ISX 1999-2003
STERLING Trucks A-Line A9500 / AT9500 Cummins M11, 10.8L 1999-2003
STERLING Trucks A-Line A9500 / AT9500 Cummins N14, 14.0L 1999-2003
STERLING Trucks A-Line A9500 / AT9500 Detroit Series 60, 11.1L 1999-2000
STERLING Trucks A-Line A9500 / AT9500 Detroit Series 60, 12.7L 1999-2007
STERLING Trucks A-Line A9500 / AT9500 Detroit Series 60, 14.0L 2001-2010
STERLING Trucks Condor Caterpillar C10, 10.3L 2001-2003
STERLING Trucks Condor Caterpillar C12, 12.0L 2001-2003
STERLING Trucks Condor Caterpillar C13, 12.5L 2004-2006
STERLING Trucks Condor Cummins ISM, 10.8L 2001-2005
STERLING Trucks Condor Cummins ISX15, 15.0L 2001-2005
STERLING Trucks Cummins Diesel Engines Cummins Signature 600, 15.0L 1998-2003
STERLING Trucks L-Line 7500 / 8000 / 8500 / 9500 Caterpillar C10, 10.3L 1999-2004
STERLING Trucks L-Line 7500 / 8000 / 8500 / 9500 Caterpillar C12, 12.0L 1999-2004
STERLING Trucks L-Line 7500 / 8000 / 8500 / 9500 Caterpillar C13, 12.5L 2004-2010
STERLING Trucks L-Line 7500 / 8000 / 8500 / 9500 Caterpillar C15, 15.2L 2004-2010
STERLING Trucks L-Line 7500 / 8000 / 8500 / 9500 Cummins M11, 10.8L 1999-2001
STERLING Trucks L-Line 7500 / 8000 / 8500 / 9500 Cummins N14, 14.0L 1999-2003
STERLING Trucks L-Line 7500 / 8000 / 8500 / 9500 Detroit Series 60, 12.7L 2001-2007
STERLING Trucks L-Line 7500 / 8000 / 8500 / 9500 Detroit Series 60, 14.0L 2006-2010
STERLING Trucks Silver Star Series Caterpillar C15, 14.6L 1999-2003
STERLING Trucks Silver Star Series Cummins N14, 14.0L 1999-2001
STERLING Trucks Silver Star Series Detroit Series 60, 12.7L 1999-2003
STERLING Trucks Silver Star Series Detroit Series 60, 14.0L 2001-2001
VAN HOOL Bus C2045 Detroit Series 60, 11.1L 2000-2001
VAN HOOL Bus T2100 Cummins ISM, 10.8L 1998-2002
VAN HOOL Bus T2100 Detroit Series 60, 12.7L 1997-2002
VAN HOOL Bus T2140 Cummins ISM, 10.8L 1998-2002
VAN HOOL Bus T2140 Cummins M11, 10.8L 1997-2002
VAN HOOL Bus T2140 Detroit Series 60, 12.7L 1997-2002
VAN HOOL Bus T2145 Cummins ISM, 10.8L 1998-2002
VAN HOOL Bus T2145 Cummins M11, 10.8L 1997-2002
VAN HOOL Bus T2145 Detroit Series 60, 12.7L 1997-2002
VAN HOOL Bus T800 Cummins L10, 10.0L 1989-1994
VAN HOOL Bus T809 Cummins L10, 10.0L 1986-1993
VAN HOOL Bus T815 Cummins L10, 10.0L 1984-1993
VAN HOOL Bus T815 Cummins Series 60, 12.7L 1994-1996
VAN HOOL Bus T840 Cummins L10, 10.0L 1990-1994
VAN HOOL Bus T900 Cummins Series 60, 12.7L 1997-1999
VERSATILE Tractors 756 Cummins 6-855 1986-1987
VERSATILE Tractors 836 Cummins 6-611 1985-1987
VERSATILE Tractors 846 Cummins L-10 1988-1993
VERSATILE Tractors 856 Cummins 6-611 1985-1987
VERSATILE Tractors 876 Cummins 6-611 1985-1987
VERSATILE Tractors 936 Cummins NT-855 1985-1988
VERSATILE Tractors 946 Cummins NT-855 1985-1993
VERSATILE Tractors 956 Cummins NT-855 1985-1987
VERSATILE Tractors 976 Cummins NT-855 1985-1993
WAUKESHA Engines F-1197 6 Cyl 1986-1990
WESTERN STAR Trucks 3800 Cummins M11, 10.8L 1994-1997
WESTERN STAR Trucks 3800 Detroit Series 60, 11.1L 1990-1996
WESTERN STAR Trucks 3800 Detroit Series 60, 12.7L 1990-1999
WESTERN STAR Trucks 4800 Caterpillar C10, 10.3L 1997-2002
WESTERN STAR Trucks 4800 Caterpillar C12, 12.0L 1997-2002
WESTERN STAR Trucks 4800 Caterpillar C15, 14.6L 2000-2002
WESTERN STAR Trucks 4800 Cummins M11, 10.8L 1994-2002
WESTERN STAR Trucks 4800 Detroit Series 60, 11.1L 1988-2001
WESTERN STAR Trucks 4800 Detroit Series 60, 12.7L 1987-2002
WESTERN STAR Trucks 4900 Caterpillar C10, 10.3L 1997-2002
WESTERN STAR Trucks 4900 Caterpillar C12, 12.0L 1997-2002
WESTERN STAR Trucks 4900 Caterpillar C13, 12.5L 2003-2008
WESTERN STAR Trucks 4900 Caterpillar C15, 14.6L 1997-2004
WESTERN STAR Trucks 4900 Cummins M11, 10.8L 1994-2002
WESTERN STAR Trucks 4900 Cummins Signature 600, 15.0L 1999-2000
WESTERN STAR Trucks 4900 Detroit Series 60, 11.1L 1988-2001
WESTERN STAR Trucks 4900 Detroit Series 60, 12.7L 1987-2002
WESTERN STAR Trucks 4900 Detroit Series 60, 14.0L 2002-2009
WESTERN STAR Trucks 4900E Caterpillar C10, 10.3L 1997-2002
WESTERN STAR Trucks 4900E Caterpillar C12, 12.0L 1997-2002
WESTERN STAR Trucks 4900E Caterpillar C15, 14.6L 2000-2002
WESTERN STAR Trucks 4900E Cummins Signature 600, 15.0L 1999-2000
WESTERN STAR Trucks 4900E Detroit Series 60, 11.1L 1997-1998
WESTERN STAR Trucks 4900E Detroit Series 60, 12.7L 1997-2002
WESTERN STAR Trucks 4900EX Caterpillar C10, 10.3L 2004-2004
WESTERN STAR Trucks 4900EX Caterpillar C12, 12.0L 2002-2004
WESTERN STAR Trucks 4900EX Caterpillar C15, 14.6L 2002-2003
WESTERN STAR Trucks 4900EX Caterpillar C15, 15.2L 2004-2010
WESTERN STAR Trucks 4900EX Cummins ISX15, 15.0L 2002-2010
WESTERN STAR Trucks 4900EX Cummins Signature 600, 15.0L 1999-2003
WESTERN STAR Trucks 4900EX Detroit Series 60, 12.7L 2002-2010
WESTERN STAR Trucks 4900EX Detroit Series 60, 14.0L 2002-2010
WESTERN STAR Trucks 4900FA Caterpillar C10, 10.3L 2002-2004
WESTERN STAR Trucks 4900FA Caterpillar C11, 11.1L 2005-2007
WESTERN STAR Trucks 4900FA Caterpillar C12, 12.0L 2002-2004
WESTERN STAR Trucks 4900FA Caterpillar C13, 12.5L 2004-2010
WESTERN STAR Trucks 4900FA Caterpillar C15, 14.6L 2002-2003
WESTERN STAR Trucks 4900FA Caterpillar C15, 15.2L 2004-2010
WESTERN STAR Trucks 4900FA Cummins ISM, 10.8L 2002-2007
WESTERN STAR Trucks 4900FA Cummins ISX15, 15.0L 2002-2010
WESTERN STAR Trucks 4900FA Cummins M11, 10.8L 2001-2002
WESTERN STAR Trucks 4900FA Detroit Series 60, 12.7L 2002-2010
WESTERN STAR Trucks 4900FA Detroit Series 60, 14.0L 2002-2010
WESTERN STAR Trucks 4900FX Caterpillar C15, 14.6L 2001-2003
WESTERN STAR Trucks 4900FX Caterpillar C15, 15.2L 2004-2010
WESTERN STAR Trucks 4900FX Detroit Series 60, 14.0L 2001-2010
WESTERN STAR Trucks 4900SA Caterpillar C10, 10.3L 2002-2004
WESTERN STAR Trucks 4900SA Caterpillar C11, 11.1L 2005-2007
WESTERN STAR Trucks 4900SA Caterpillar C12, 12.0L 2002-2004
WESTERN STAR Trucks 4900SA Caterpillar C13, 12.5L 2004-2010
WESTERN STAR Trucks 4900SA Caterpillar C15, 14.6L 2002-2003
WESTERN STAR Trucks 4900SA Caterpillar C15, 15.2L 2004-2010
WESTERN STAR Trucks 4900SA Cummins ISM, 10.8L 2002-2003
WESTERN STAR Trucks 4900SA Cummins ISX15, 15.0L 2002-2010
WESTERN STAR Trucks 4900SA Cummins M11, 10.8L 2002-2002
WESTERN STAR Trucks 4900SA Detroit Series 60, 12.7L 2002-2010
WESTERN STAR Trucks 4900SA Detroit Series 60, 14.0L 2002-2010
WESTERN STAR Trucks 4900SB Caterpillar C15, 15.2L 2004-2010
WESTERN STAR Trucks 4900SF Caterpillar C12, 12.0L 2000-2002
WESTERN STAR Trucks 4900SF Detroit Series 60, 12.7L 2005-2010
WESTERN STAR Trucks 4900SF Detroit Series 60, 14.0L 2005-2010
WESTERN STAR Trucks 5800 Caterpillar C10, 10.3L 1997-2002
WESTERN STAR Trucks 5800 Caterpillar C12, 12.0L 1997-2002
WESTERN STAR Trucks 5800 Caterpillar C15, 14.6L 2000-2002
WESTERN STAR Trucks 5800 Cummins M11, 10.8L 1997-2002
WESTERN STAR Trucks 5800 Detroit Series 60, 11.1L 1997-2001
WESTERN STAR Trucks 5800 Detroit Series 60, 12.7L 1997-2002
WESTERN STAR Trucks 5900 Caterpillar C10, 10.3L 1998-2002
WESTERN STAR Trucks 5900 Caterpillar C12, 12.0L 1997-2001
WESTERN STAR Trucks 5900 Caterpillar C15, 14.6L 2000-2001
WESTERN STAR Trucks 5900 Cummins M11, 10.8L 1994-2001
WESTERN STAR Trucks 5900 Detroit Series 60, 11.1L 1990-1999
WESTERN STAR Trucks 5900 Detroit Series 60, 12.7L 1989-2002
WESTERN STAR Trucks 6900 Caterpillar C15, 14.6L 1997-2003
WESTERN STAR Trucks 6900 Caterpillar C15, 15.2L 2004-2008
WESTERN STAR Trucks 6900 Cummins ISX15, 15.0L 2001-2010
WESTERN STAR Trucks 6900 Cummins KT19, 18.8L 1991-1996
WESTERN STAR Trucks 6900 Cummins Signature 600, 15.0L 2001-2001
WESTERN STAR Trucks 6900 Detroit Series 60, 11.1L 1989-2001
WESTERN STAR Trucks 6900 Detroit Series 60, 12.7L 1991-2006
WESTERN STAR Trucks 6900XD Caterpillar C15, 14.6L 2002-2003
WESTERN STAR Trucks 6900XD Caterpillar C15, 15.2L 2004-2007
WESTERN STAR Trucks 6900XD Detroit Series 60, 12.7L 2002-2007
WESTERN STAR Trucks 6900XD Detroit Series 60, 14.0L 2004-2010
WHITE Trucks All Models (By Engine) Caterpillar 3406, 14.6L 1984-1984
WHITE Trucks All Models (By Engine) Cummins 555 1984-1984
WHITE Trucks All Models (By Engine) Cummins 855 1984-1984
WHITE Trucks All Models (By Engine) Cummins 903 1984-1984
WHITE Trucks All Models (By Engine) Cummins NH,NTA,NTC,PT 1984-1984
WHITE Trucks All Models (By Engine) Detroit 6V-92 1984-1984
Chevrolet
/ GMC Trucks Cummins Diesel Engines Cummins L10, 10.0L 1986-1989
/ GMC Trucks Cummins Diesel Engines Cummins NTC-300 1986-1989
/ GMC Trucks D9K Titan Cummins NTC 1986-1989
/ GMC Trucks D9K Titan Detroit 6V-92 (T, TA, TTA) 1986-1988
/ GMC Trucks D9K Titan Detroit 8V-71 (N, NE, T) 1986-1988
/ GMC Trucks D9L Titan Cummins NTC 1986-1989
/ GMC Trucks D9L Titan Detroit 6V-92 (T, TA, TTA) 1986-1988
/ GMC Trucks D9L Titan Detroit 8V-71 (N, NE, T) 1986-1988
/ GMC Trucks Detroit Diesel Engines Detroit 6V-92 (T, TA, TTA) 1986-1988
/ GMC Trucks Detroit Diesel Engines Detroit 8V-71 (N, NE, T) 1986-1988
/ GMC Trucks Detroit Diesel Engines Detroit Series 60 1987-1989
/ GMC Trucks J8C / J9C Bruin Cummins L10, 10.0L 1986-1989
/ GMC Trucks J8C / J9C Bruin Cummins NTC Engs 1986-1989
/ GMC Trucks J8C / J9C Bruin Detroit 6V-92 (T, TA, TTA) 1986-1988
/ GMC Trucks J8C / J9C Bruin Detroit 8V-71 (N, NE, T) 1986-1986
/ GMC Trucks N9E / N9F Bison Cummins L10, 10.0L 1986-1989
/ GMC Trucks N9E / N9F Bison Cummins NTC 1986-1989
/ GMC Trucks N9E / N9F Bison Detroit 6V-92 (T, TA, TTA) 1986-1988
/ GMC Trucks N9E / N9F Bison Detroit 8V-71 (N, NE, T) 1986-1988
Ford
Tractors 1156 Cummins 1988-1992
Tractors 846 Cummins LT10-A 1988-1993
Tractors 876 Cummins LTA10-A 1988-1993
Tractors 9280 6-611 1994-1996
Tractors 9280 Cummins LT10-A 1994-1996
Tractors 936 6-855 1988-1988
Tractors 946 6-855 1989-1993
Tractors 9480 6-855 1994-1996
Tractors 9680 6-855 1994-1996
Tractors 976 Cummins NT-855 1985-1993
Tractors 9880 6-855 1994-1996
Trucks L6000 / 7000 / 8000 / 9000 Caterpillar 3176, 10.3L 1990-1998
Trucks L6000 / 7000 / 8000 / 9000 Caterpillar 3406, 14.6L 1986-1999
Trucks L6000 / 7000 / 8000 / 9000 Caterpillar C10, 10.3L 1997-1999
Trucks L6000 / 7000 / 8000 / 9000 Caterpillar C12, 12.0L 1997-1999
Trucks L6000 / 7000 / 8000 / 9000 Cummins 855 (NHC, NTC) 1985-1992
Trucks L6000 / 7000 / 8000 / 9000 Cummins L10, 10.0L 1985-1999
Trucks L6000 / 7000 / 8000 / 9000 Cummins M11, 10.8L 1990-1999
Trucks L6000 / 7000 / 8000 / 9000 Cummins N14, 14.0L 1990-1999
Trucks L6000 / 7000 / 8000 / 9000 Detroit 6V-71 1986-1988
Trucks L6000 / 7000 / 8000 / 9000 Detroit 6V-92 1986-1991
Trucks L6000 / 7000 / 8000 / 9000 Detroit 8V-71 1986-1990
Trucks L6000 / 7000 / 8000 / 9000 Detroit Series 60 1990-1999
Volvo
Trucks ACL42 / ACL64 Series Cummins M11, 10.8L 1994-2000
Trucks ACL42 / ACL64 Series Cummins N14, 14.0L 1994-2002
Trucks ACL42 / ACL64 Series Detroit Series 60, 11.1L 1996-1999
Trucks ACL42 / ACL64 Series Detroit Series 60, 12.7L 1996-2001
Trucks VHD Series Cummins ISM, 10.8L 2001-2003
Trucks VHD Series Cummins M11, 10.8L 2001-2003
Trucks VNL Series Cummins M11, 10.8L 1994-2004
Trucks VNL Series Cummins N14, 14.0L 1994-2003
Trucks VNL Series Detroit Series 60, 12.7L 2000-2003
Trucks VNM Series Cummins ISM, 10.8L 1997-2003
Trucks VNM Series Cummins M11, 10.8L 1997-2003
Trucks VNM Series Cummins N14, 14.0L 1997-2003
Trucks VNM Series Detroit Series 60, 12.7L 2000-2003
Trucks WA / WC / WG / WH / WI / WX Series Cummins ISM, 10.8L 1997-2001
Trucks WA / WC / WG / WH / WI / WX Series Cummins L10, 10.0L 1990-1998
Trucks WA / WC / WG / WH / WI / WX Series Cummins M11, 10.8L 1994-2001
Trucks WA / WC / WG / WH / WI / WX Series Cummins N14, 14.0L 1994-2000
Trucks WA / WC / WG / WH / WI / WX Series Detroit Series 60, 11.1L 1996-1999
Trucks WA / WC / WG / WH / WI / WX Series Detroit Series 60, 12.7L 1996-2001
Рекомендованные товары
Ротор стартера TT71050
Напряжение
12 V
Мощность
7.5 KW
Длина
451 mm
Диаметр наружный
86 mm
Электромагнит TT76059
Напряжение
12 V
Диаметр наружный
68.8 mm
Количество крепежных отверстий
3
Количество терминалов
4




