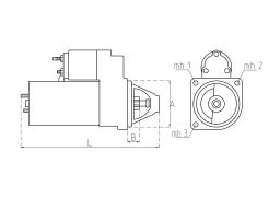
Стартер TT15685 PRO
Кросс-номера и комплектующие
TT15685
TT
TT15685 PRO
TT
0001107092
BOSCH
Комплектующие0001112017
BOSCH
Комплектующие0001116008
BOSCH
КомплектующиеM000T84585
MITSUBISHI
КомплектующиеM002T42881
MITSUBISHI
КомплектующиеM0T84585
MITSUBISHI
КомплектующиеM2T42881
MITSUBISHI
Комплектующие23300-41B71
NISSAN
КомплектующиеПрименение
Nissan
Рекомендованные товары














