Дифференциал в сборе TT66254
Кросс-номера и комплектующие
TT66254
TT
TT66254 PRO
TT
28021-38020 R
TOYOTA
КомплектующиеSG6008
AS
UD12934SG
AS
SM66254
SAEMOTO
28021-38040
TOYOTA
Справочная информация
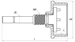
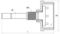
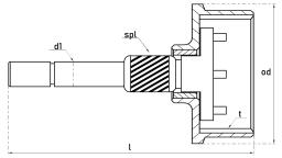
43T, 10S, OD 70мм; L 121мм; for 428000-3960, ТОЙОТА Рав 4 2010-2015, Ленд Крузер 200 5,7, Лексус 5,7, Камри 2,5; СМОТРИ TT61999 (бендикс с дифференциалом)

