Доставка
Оплата
Поставщикам
Контакты
+7 (495) 748-97-74
Москва
Корзина
Войти
Каталог запчастей
По номеру
По каталогу
По номеру
Войти
Корзина
Генераторы
Стартеры
Вентиляторы
Фильтры
Оборудование
Гидравлические системы
Двигатель
Кондиционирование
Крепёж
Подвеска
Подшипники
Ременный привод
Рулевое управление
Система выпуска ОГ
Система зажигания
Система охлаждения
Система подачи топлива и Подготовка топлива
Системы комфорта
Тормозная система
Электрооборудование
Трансмиссия
Прочее
Генераторы
Диодные мосты
Диоды
Диоды дополнительные
Изоляторы
Инструменты
Коллекторы генераторов
Крепёж генератора
Крышки ПВХ
Крышки генератора задние
Подставки под подшипник
Крышки генератора передние
Стопоры подшипников генератора
Масляные насосы
Части насосов
Подшипники генератора
Регулятор-диодный мост
Регуляторы напряжения
Чипы
Ремкомплекты генератора
Роторы генератора
Части роторов
Сальники
Статоры генератора
Части генератора прочее
Шкивы, крыльчатки генератора
Крыльчатки генератора
Обгонные муфты генератора
Части шкивов
Щётки генератора
Щёткодержатели генератора
Каталог
Доставка
Оплата
Поставщикам
Контакты
Распродажи
+7 (495) 748-97-74
Москва
Мои заказы
Взаиморасчеты
Настройки
На главную
Каталог
Генераторы
Регуляторы напряжения
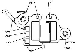
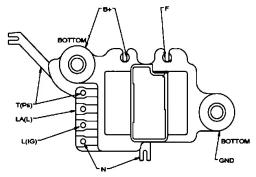
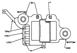
Регулятор TT31159
Регулятор TT31159
Нет в наличии
Артикул
TT31159
Напряжение
24 V
Рабочее напряжение
28.3 V
Подключение
P-L-IG-D
Тип питания регулятора
Trio
Режим работы
A
Расстояние между монтажными отверстиями
66 mm
Исполнение
SAWAFUJI
Все характеристики
Кросс-номера и комплектующие
TT31159
TT
TT31159 B
TT
TT31159 PRO
TT
TT31720
TT
IW705
ASKA
233493
CARGO
F032233493
CARGO
Все кроссы
В агрегатах
Справочная информация
24 Volt