Доставка
Оплата
Поставщикам
Контакты
+7 (495) 748-97-74
Москва
Корзина
Войти
Каталог запчастей
По номеру
По каталогу
По номеру
Войти
Корзина
Генераторы
Стартеры
Вентиляторы
Фильтры
Оборудование
Гидравлические системы
Двигатель
Кондиционирование
Крепёж
Подвеска
Подшипники
Ременный привод
Рулевое управление
Система выпуска ОГ
Система зажигания
Система охлаждения
Система подачи топлива и Подготовка топлива
Системы комфорта
Тормозная система
Электрооборудование
Трансмиссия
Прочее
Генераторы
Диодные мосты
Диоды
Диоды дополнительные
Изоляторы
Инструменты
Коллекторы генераторов
Крепёж генератора
Крышки ПВХ
Крышки генератора задние
Подставки под подшипник
Крышки генератора передние
Стопоры подшипников генератора
Масляные насосы
Части насосов
Подшипники генератора
Регулятор-диодный мост
Регуляторы напряжения
Чипы
Ремкомплекты генератора
Роторы генератора
Части роторов
Сальники
Статоры генератора
Части генератора прочее
Шкивы, крыльчатки генератора
Крыльчатки генератора
Обгонные муфты генератора
Части шкивов
Щётки генератора
Щёткодержатели генератора
Каталог
Доставка
Оплата
Поставщикам
Контакты
Распродажи
+7 (495) 748-97-74
Москва
Мои заказы
Взаиморасчеты
Настройки
На главную
Каталог
Стартеры
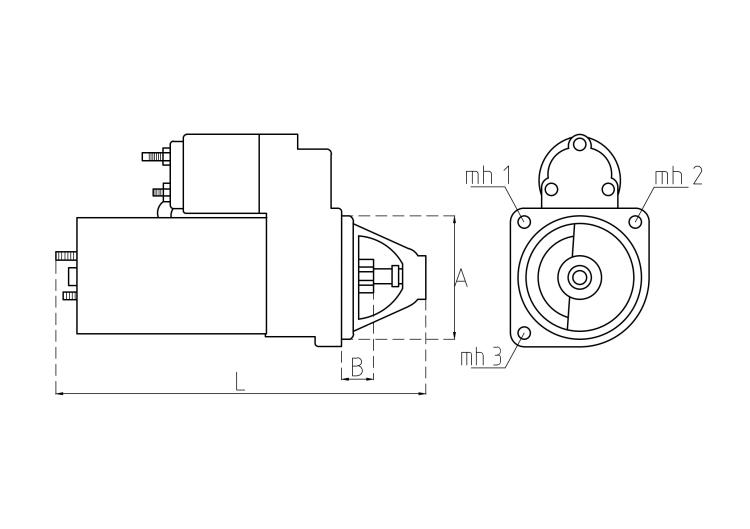
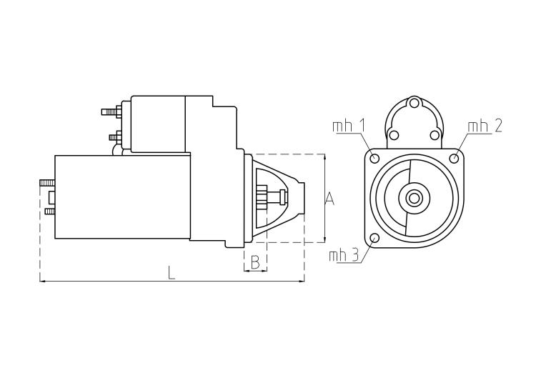
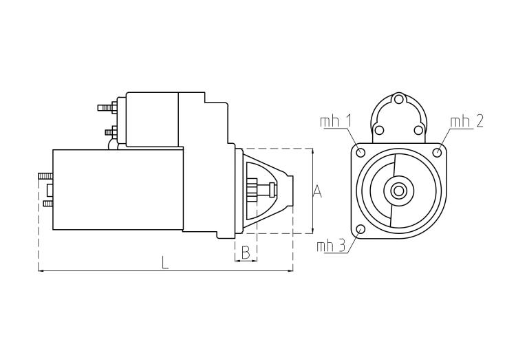
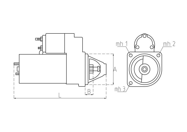
Стартер TT15206
Стартер TT15206
Нет в наличии
Артикул
TT15206
Напряжение
12 V
Мощность
1.8 KW
Размер A
76 mm
Размер B
20 mm
Количество зубьев
13
Диаметр зубчатки
39 mm
Длина
266 mm
Все характеристики
Кросс-номера и комплектующие
TT15206
TT
TT15206 PRO
TT
12411245328
BMW
Комплектующие
0001110110
BOSCH
Комплектующие
S0271
AS
12411245388
BMW
12412246388
BMW
Все кроссы
Справочная информация
12V, 1.8kW;BMW
Применение
BMW
3 (E36) 318 tds 1995-01 - 1998-02 1.7 Diesel (M41 D17 (174T1)) 66kW /90HP
3 (E36) 318 tds 1995-03 - 1999-04 1.7 Diesel (M41 D17 (174T1)) 66kW /90HP
3 (E36) 318 tds 1995-06 - 2000-08 1.7 Diesel (M41 D17 (174T1)) 66kW /90HP