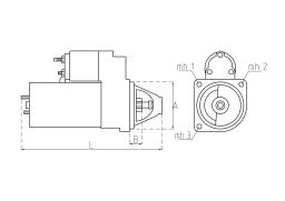
Стартер TT15518 PRO
Кросс-номера и комплектующие
TT15518
TT
TT15518 PRO
TT
0001230009
BOSCH
Комплектующие0001359122
BOSCH
Комплектующие0001367029
BOSCH
Комплектующие4719666
FIAT
Комплектующие4755110
FIAT
КомплектующиеСправочная информация
12V;3.0kW;Fiat, Iveco Truck 5.9L / 6.0L / 8.0L / 8.1L
Применение
Другие
FIAT
Iveco

