Доставка
Оплата
Поставщикам
Контакты
+7 (495) 748-97-74
Москва
Корзина
Войти
Каталог запчастей
По номеру
По каталогу
По номеру
Войти
Корзина
Генераторы
Стартеры
Вентиляторы
Фильтры
Оборудование
Гидравлические системы
Двигатель
Кондиционирование
Крепёж
Подвеска
Подшипники
Ременный привод
Рулевое управление
Система выпуска ОГ
Система зажигания
Система охлаждения
Система подачи топлива и Подготовка топлива
Системы комфорта
Тормозная система
Электрооборудование
Трансмиссия
Прочее
Генераторы
Диодные мосты
Диоды
Диоды дополнительные
Изоляторы
Инструменты
Коллекторы генераторов
Крепёж генератора
Крышки ПВХ
Крышки генератора задние
Подставки под подшипник
Крышки генератора передние
Стопоры подшипников генератора
Масляные насосы
Части насосов
Подшипники генератора
Регулятор-диодный мост
Регуляторы напряжения
Чипы
Ремкомплекты генератора
Роторы генератора
Части роторов
Сальники
Статоры генератора
Части генератора прочее
Шкивы, крыльчатки генератора
Крыльчатки генератора
Обгонные муфты генератора
Части шкивов
Щётки генератора
Щёткодержатели генератора
Каталог
Доставка
Оплата
Поставщикам
Контакты
Распродажи
+7 (495) 748-97-74
Москва
Мои заказы
Взаиморасчеты
Настройки
На главную
Каталог
Стартеры
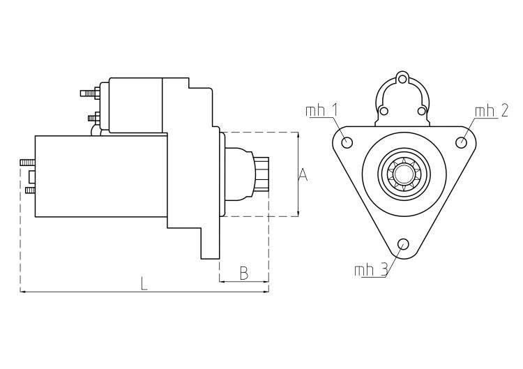
Стартер TT16027
Стартер TT16027
Нет в наличии
Артикул
TT16027
Напряжение
12 V
Мощность
1.4 KW
Размер A
62 mm
Размер B
26 mm
Количество зубьев
10
Диаметр зубчатки
36 mm
Длина
192 mm
Все характеристики
Кросс-номера и комплектующие
TT16027
TT
428000-6770
DENSO
Комплектующие
AH-4211001-BB
FORD
Комплектующие
DSN1364
DENSO
LR011262
LAND ROVER
LR016450
LAND ROVER
SM16027
SAEMOTO