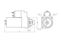
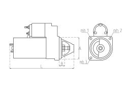
Стартер TT16270 PRO
Кросс-номера и комплектующие
TT16270
TT
TT16270 PRO
TT
04801472AA
CHRYSLER
Комплектующие438195
VALEO
Комплектующие458256
VALEO
КомплектующиеD7G18
VALEO
КомплектующиеD7G22
VALEO
КомплектующиеСправочная информация
12V, 2.2kW; Jeep Grand Cherokee 3.0 CRD 2005
Применение
Другие
Jeep

