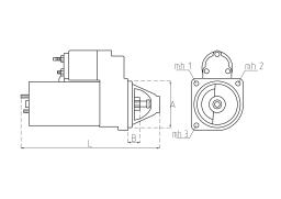
Стартер TT16500 PRO
Кросс-номера и комплектующие
TT16500
TT
TT16500 PRO
TT
S114-443
HITACHI
КомплектующиеS114-443A
HITACHI
КомплектующиеS114-653A
HITACHI
КомплектующиеS114-653B
HITACHI
КомплектующиеS2019
AS
Справочная информация
12V, 0.9kW; Yanmar
Применение
Другие

