Доставка
Оплата
Поставщикам
Контакты
+7 (495) 748-97-74
Москва
Корзина
Войти
Каталог запчастей
По номеру
По каталогу
По номеру
Войти
Корзина
Генераторы
Стартеры
Вентиляторы
Фильтры
Оборудование
Гидравлические системы
Двигатель
Кондиционирование
Крепёж
Подвеска
Подшипники
Ременный привод
Рулевое управление
Система выпуска ОГ
Система зажигания
Система охлаждения
Система подачи топлива и Подготовка топлива
Системы комфорта
Тормозная система
Электрооборудование
Трансмиссия
Прочее
Генераторы
Диодные мосты
Диоды
Диоды дополнительные
Изоляторы
Инструменты
Коллекторы генераторов
Крепёж генератора
Крышки ПВХ
Крышки генератора задние
Подставки под подшипник
Крышки генератора передние
Стопоры подшипников генератора
Масляные насосы
Части насосов
Подшипники генератора
Регулятор-диодный мост
Регуляторы напряжения
Чипы
Ремкомплекты генератора
Роторы генератора
Части роторов
Сальники
Статоры генератора
Части генератора прочее
Шкивы, крыльчатки генератора
Крыльчатки генератора
Обгонные муфты генератора
Части шкивов
Щётки генератора
Щёткодержатели генератора
Каталог
Доставка
Оплата
Поставщикам
Контакты
Распродажи
+7 (495) 748-97-74
Москва
Мои заказы
Взаиморасчеты
Настройки
На главную
Каталог
Стартеры
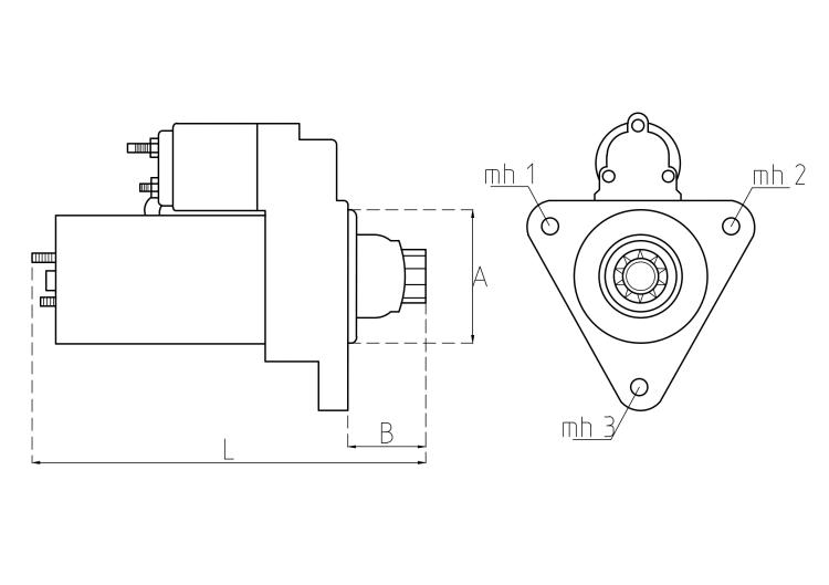
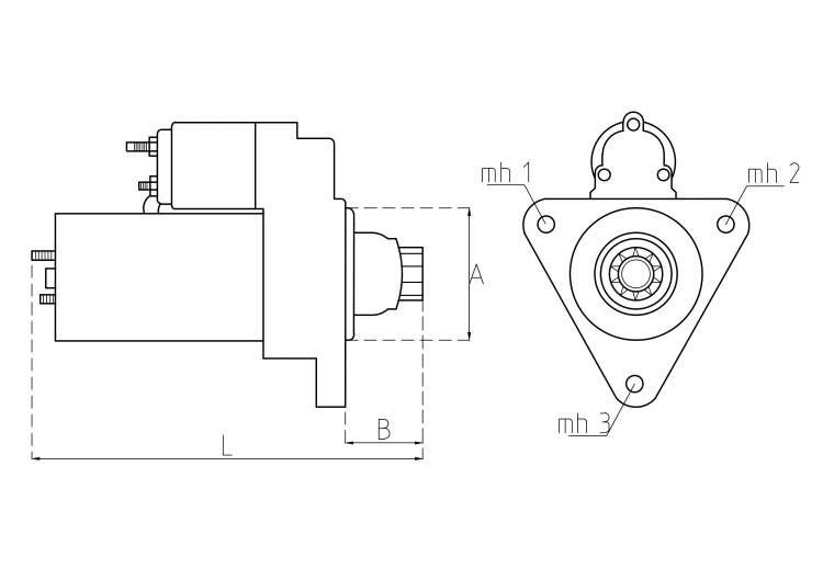
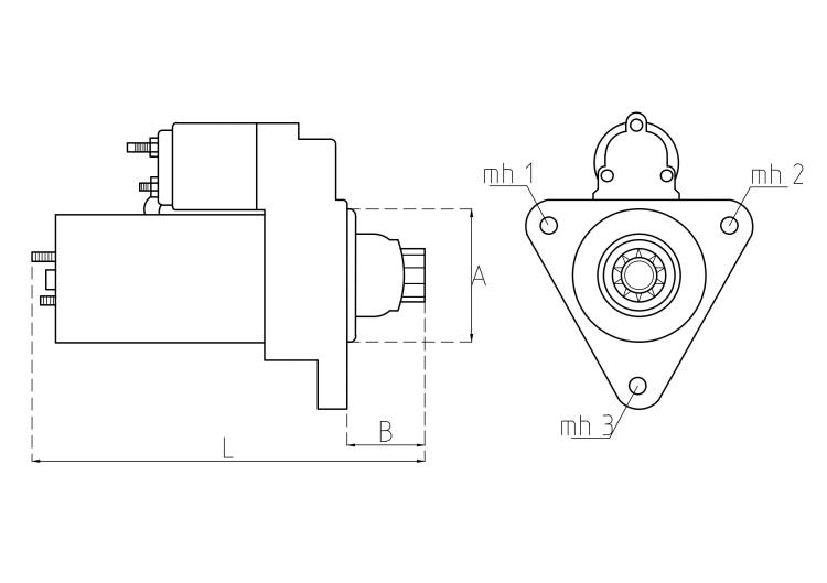
Стартер TT17116
Стартер TT17116
Нет в наличии
Артикул
TT17116
Напряжение
24 V
Мощность
7.8 KW
Размер A
89 mm
Размер B
46 mm
Количество зубьев
11
Направление вращения
CR
Исполнение
CAV
Все характеристики
Кросс-номера и комплектующие
TT17116
TT
112372
CARGO
CS698
CARGO
1321291
CAV
1321292
CAV
1321531
CAV
1321532
CAV
Все кроссы
Справочная информация
24V, 7.8kW, CR, 11t; CS698 5.4kW