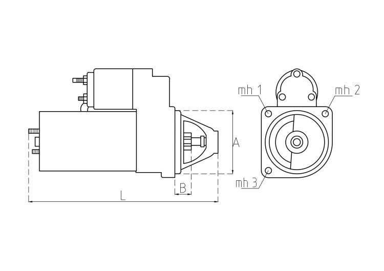
Стартер TT17143
Нет в наличии
Кросс-номера и комплектующие
TT17143
TT
TT17143 PRO
TT
M00000687
BAIC
КомплектующиеM00001543
BAIC
КомплектующиеSPF112005
JHEECO
Комплектующие240.544.102
PSH
240.544.102.200
PSH
Справочная информация
12V, 1.1kW, 10T, CW; BAIC Beijing BJ20 1.5T 2020-
Применение
BAIC



