Доставка
Оплата
Поставщикам
Контакты
+7 (495) 748-97-74
Москва
Корзина
Войти
Каталог запчастей
По номеру
По каталогу
По номеру
Войти
Корзина
Генераторы
Стартеры
Вентиляторы
Фильтры
Оборудование
Гидравлические системы
Двигатель
Кондиционирование
Крепёж
Подвеска
Подшипники
Ременный привод
Рулевое управление
Система выпуска ОГ
Система зажигания
Система подачи топлива и Подготовка топлива
Системы комфорта
Тормозная система
Электрооборудование
Прочее
Генераторы
Диодные мосты
Диоды
Диоды дополнительные
Изоляторы
Инструменты
Коллекторы генераторов
Крепёж генератора
Крышки ПВХ
Крышки генератора задние
Подставки под подшипник
Крышки генератора передние
Стопоры подшипников генератора
Масляные насосы
Части насосов
Подшипники генератора
Регулятор-диодный мост
Регуляторы напряжения
Чипы
Ремкомплекты генератора
Роторы генератора
Части роторов
Сальники
Статоры генератора
Части генератора прочее
Шкивы, крыльчатки генератора
Крыльчатки генератора
Обгонные муфты генератора
Части шкивов
Щётки генератора
Щёткодержатели генератора
Каталог
Доставка
Оплата
Поставщикам
Контакты
Распродажи
+7 (495) 748-97-74
Москва
Мои заказы
Взаиморасчеты
Настройки
На главную
Каталог
Генераторы
Статоры генератора
Статор генератора TT74642
Статор генератора TT74642
Нет в наличии
Артикул
TT74642
Напряжение
12 V
Сила тока
130 Amp
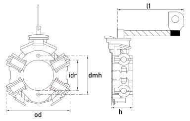
Диаметр внутренний
100 mm
Диаметр наружный
128 mm
Высота
32 mm
Количество терминалов
3
Исполнение
DENSO
Все характеристики
Кросс-номера и комплектующие
TT74001
TT
TT74001 PRO
TT
TT74642
TT
SM74001
SAEMOTO
Комплектующие
AS6004
AS
AS6028R
AS
236334
CARGO
Все кроссы
В агрегатах
Справочная информация
12V; 150A; OD 128 mm, ID 100 mm, H 32mm; STATOR FOR CA1834IR